Фіксований курс
currency_euro_fill 51.00
44.50
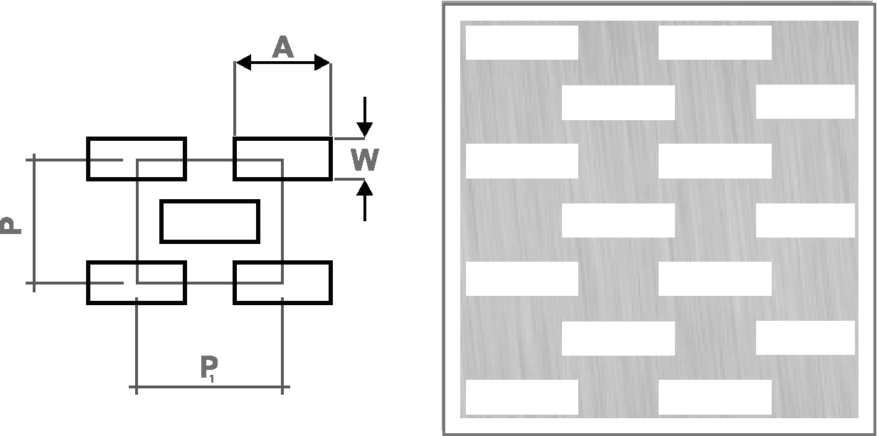
Перфорація з прямокутними отворами,  розташованими в шаховому порядку (тип Pv)

Перфорація з прямокутними отворами, розташованими в шаховому порядку (тип Pv)

Перфоровані листи з прямокутними отворами, розташованими в шаховому порядку, виготовляються з металу найвищої якості. Перфорація виконується машинним способом з дуже високим ступенем точності, що гарантує 100% відповідність вашому замовленню.

Товщина перфорованих листів: від 0,5 до 3 мм.
Ширина листа: до 1600 мм.
Довжина листа: єдиним обмеженням є довжина транспортного засобу або бухти металу.
Після перфорації листи можна різати, профілювати або покривати порошковою фарбою.

Увага! Для певних типів перфорації існують обмеження щодо товщини листа та розміру отворів.

Опис продукту

Основні типи перфораційних отворів

Наше сучасне обладнання дозволяє нам створювати різноманітні отвори з ідеальним інтервалом та якістю:

  • круглі отвори;
  • квадратні отвори;
  • прямокутні отвори;
  • щілинні отвори;
  • чашеподібні отвори.

Залежно від форми отворів, перфорація виконується симетрично або в шаховому порядку (наприклад, під кутом 45  або 60 градусів), що створює різні візуальні ефекти. Після перфорації листи можна різати, згинати або покривати порошковою фарбою.

Ми  також можемо запропонувати різні варіанти обробки, включаючи початок та кінець поля перфорації (наприклад, без запасу – різання вздовж отворів, пропуск одного або двох рядів отворів).

Розміри перфорованих листів можна налаштувати відповідно до індивідуальних потреб замовника, з максимальною шириною листа 1600 мм та довжиною, що обмежується лише довжиною транспортного засобу.

Також на замовлення ми можемо для вас виготовити перфоровані профлисти, внутрішні стінові касети, фасадні касетони та панелі.

Примітка: через конструкцію інструменту для малих отворів (приблизно до 10 мм) та перфорації з великими отворами, на початку та в кінці поля перфорації відсутні один або два ряди отворів.

Ми виготовляємо перфоровані листи відповідно до стандартів PN 76/M-94060 та DIN. Процес перфорації постійно контролюється, щоб забезпечити точність і якість отворів, а в результаті найвищу якість кінцевого продукту для вас.

Посилання

Доступні кольори

Обери покриття:

PMG35

матовий поліестер крупнозернистий

PURLAK

глянсовий поліуретан

PURMAT

матовий поліуретан

Металеві захисні покриття

оцинковане і алюцинкове покриття

PMG35

матовий поліестер крупнозернистий

Доступні кольори:

RR011 RR011
RR028 RR028
RR032 RR032
RR033 RR033
RR750 RR750
RAL7016 RAL7016
RAL8017 RAL8017

Технічна специфікація

Ознайомтесь з типами захисного покриття

Файли для завантаження

[PDF]

Каталог перфорації (PL)

Маєш запитання?

Чи потребує дах обслуговування?

Так, кожна покрівля потребує періодичного огляду на наявність будь-яких пошкоджень. Більшість продуктів, що пропонуються компанією «Прушиньскі», мають спеціаліальне полімерне покриття різних типів, які підвищують довговічність металевого покриття. Технічне обслуговування в основному полягає у видаленні нашарувань бруду та листя, які з часом можуть пошкодити листовий метал. Особливу увагу слід приділяти зонам навколо димарів, які є біль вразливими через більш жорсткі умови експлуатації. Якщо під час огляду покриття помічено локальне пошкодження лакофарбового покриття, слід виконати зафарбовування за допомогою спеціальних фарб, які призначені для цього покриття. Така фарба постійно наявна в пропозиції компанії «Прушиньскі».  

Чи можна до сталевої покрівлі монтувати мідні планки?

Не рекомендується з’єднувати мідні елементи зі сталевим листом через ризик електрохімічної корозії. Якщо необхідно виконати покрівельні роботи на сталевому даху, рекомендується використовувати сумісні матеріали, такі як сталь з полімерним покриттям або алюміній.

Чи можна використовувати кутову шліфувальну машину під час різання листів?

Не рекомендується використовувати кутову шліфувальну машину (так звану “болгарку”) для різання листового металу. Цей інструмент викликає перегрів матеріалу на краях зрізу, що пошкоджує антикорозійне покриття і може призвести до утворення осередків корозії. Рекомендується використовувати ручні або електричні ножиці, призначені для різання листового металу.

Чому саме металочерепицю рекомендують для ремонту старих дахів?

Металочерепицю часто рекомендують для ремонту старих дахів через її малу вагу, що не перевантажуватиме існуючу конструкцію. Крім того, швидкий та простий монтаж дозволяє скоротити час реконструкції, що зменшує ризик пошкодження будівлі у разі несприятливих погодних умов під час виконання ремонтних робіт.

Як подати рекламацію?

Щоб подати рекламацію, зверніться до точки продажу, де ви придбали товар. Вам потрібно надати документи, що підтверджують факт покупки матеріалу та фотографія дефектного продукту. Детальну інформацію про процедуру подання рекламації можна знайти в гарантійних умовах, що додаються до рахунку-фактури.

Які умови гарантії на матеріали?

Гарантія поширюється лише на виробничі дефекти та є дійсною за умови правильного встановлення та експлуатації виробу відповідно до рекомендацій та інструкцій виробника.

Можливо вас зацікавить:

Фасадні касетони

Blachy trapezowe

Інша продукція цієї категорії

Перфорація з круглими симетричними отворами (тип Rg)

Перфорація з круглими симетричними отворами (тип Rg)

Основні типи перфорації

Переглянути
Перфорація з круглими отворами,  розташованими в шаховому порядку під кутом 45º (тип Rd)

Перфорація з круглими отворами, розташованими в шаховому порядку під кутом 45º (тип Rd)

Основні типи перфорації

Переглянути
Перфорація з круглими отворами,  розташованими в шаховому порядку під кутом 60º (тип Rv)

Перфорація з круглими отворами, розташованими в шаховому порядку під кутом 60º (тип Rv)

Основні типи перфорації

Переглянути
Перфорація з квадратними симетричними отворами (тип Qg)

Перфорація з квадратними симетричними отворами (тип Qg)

Основні типи перфорації

Переглянути
Перфорація з квадратними отворами,  розташованими в шаховому порядку під кутом 45º (тип Qd)

Перфорація з квадратними отворами, розташованими в шаховому порядку під кутом 45º (тип Qd)

Основні типи перфорації

Переглянути
Перфорація з квадратними отворами,  розташованими в шаховому порядку (тип Qv)

Перфорація з квадратними отворами, розташованими в шаховому порядку (тип Qv)

Основні типи перфорації

Переглянути
Перфорація з прямокутними симетричними отворами (тип Pg)

Перфорація з прямокутними симетричними отворами (тип Pg)

Основні типи перфорації

Переглянути
Перфорація щілинна з симетричними отворами (тип Lg, W<A)

Перфорація щілинна з симетричними отворами (тип Lg, W<A)

Основні типи перфорації

Переглянути
Перфорація щілинна з симетричними отворами (тип Lg, W>A)

Перфорація щілинна з симетричними отворами (тип Lg, W>A)

Основні типи перфорації

Переглянути
Перфорація щілинна з отворами, розташованими в шаховому порядку (тип Lv, W<A)

Перфорація щілинна з отворами, розташованими в шаховому порядку (тип Lv, W<A)

Основні типи перфорації

Переглянути