Фіксований курс
currency_euro_fill 51.00
44.50
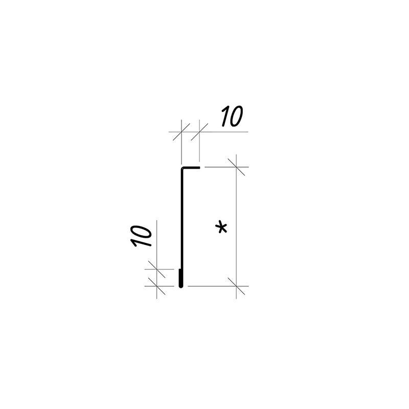
Стартова планка для касетона К-1

Стартова планка для касетона К-1

Монтаж касетонів з закритим стиком ведеться знизу вгору і, при цьому, перед монтажем першого (нижнього) касетону необхідно встановити стартову планку. Цю планку необхідно виготовити з металу мінімальною товщиною 1,0 мм, так як весь нижній ряд касетонів буде кріпитися саме до цієї планки.

Докладну інформацію щодо використання планок під час монтажу вентильованого фасаду із застосуванням фасадних касетонів ви зможете знайти в «Інструкції з монтажу касетонів».

Опис продукту

Типи фасадних касетонів "Прушиньскі"

Компанія «Прушиньскі» виробляє касетони двох типів з оцинкованого металу товщиною 1,00; 1,20 і 1,50 мм з полімерним покриттям (поліестер і PVDF):

• касетони з закритим стиком (К-1 та К-2);

• касетони з відкритим стиком (Т-1).

• кутові касетони з відкритим і закритим стиками, які надають фасадам споруд естетичності і завершеності.

Касетони постачаються в стандартномм кольорі RAL 9006. За спеціальним замовленням можемо виготовити касетони й інших кольорів згідно RAL.

Купити фасадні касетони ви можете у наших дилерів, перейшовши у розділ “Де купити”.

Посилання

Доступні кольори

Обери покриття:

PE25

глянсовий поліестер

PE25

глянсовий поліестер

Доступні кольори:

RR028 RR028
RR032 RR032
RAL1002 RAL1002
RAL1015 RAL1015
RAL1021 RAL1021
RAL3000 RAL3000
RAL3005 RAL3005
RAL3016 RAL3016
RAL5010 RAL5010
RAL6005 RAL6005
RAL6029 RAL6029
RAL7000 RAL7000
RAL7016 RAL7016
RAL7024 RAL7024
RAL7035 RAL7035
RAL8004 RAL8004
RAL8017 RAL8017
RAL9002 RAL9002
RAL9005 RAL9005
RAL9006 RAL9006
RAL9007 RAL9007
RAL9010 RAL9010

Технічна специфікація

Ознайомтесь з типами захисного покриття

Файли для завантаження

[PDF]

PS-панелі і касетони. Інструкція з монтажу. Таблиці навантажень

[PDF]

Круглі водостічні системи NIAGARA

[PDF]

Квадратні водостічні системи NIAGARA

Маєш запитання?

Чи потребує дах обслуговування?

Так, кожна покрівля потребує періодичного огляду на наявність будь-яких пошкоджень. Більшість продуктів, що пропонуються компанією «Прушиньскі», мають спеціаліальне полімерне покриття різних типів, які підвищують довговічність металевого покриття. Технічне обслуговування в основному полягає у видаленні нашарувань бруду та листя, які з часом можуть пошкодити листовий метал. Особливу увагу слід приділяти зонам навколо димарів, які є біль вразливими через більш жорсткі умови експлуатації. Якщо під час огляду покриття помічено локальне пошкодження лакофарбового покриття, слід виконати зафарбовування за допомогою спеціальних фарб, які призначені для цього покриття. Така фарба постійно наявна в пропозиції компанії «Прушиньскі».  

Чи можна до сталевої покрівлі монтувати мідні планки?

Не рекомендується з’єднувати мідні елементи зі сталевим листом через ризик електрохімічної корозії. Якщо необхідно виконати покрівельні роботи на сталевому даху, рекомендується використовувати сумісні матеріали, такі як сталь з полімерним покриттям або алюміній.

Чи можна використовувати кутову шліфувальну машину під час різання листів?

Не рекомендується використовувати кутову шліфувальну машину (так звану “болгарку”) для різання листового металу. Цей інструмент викликає перегрів матеріалу на краях зрізу, що пошкоджує антикорозійне покриття і може призвести до утворення осередків корозії. Рекомендується використовувати ручні або електричні ножиці, призначені для різання листового металу.

Чому саме металочерепицю рекомендують для ремонту старих дахів?

Металочерепицю часто рекомендують для ремонту старих дахів через її малу вагу, що не перевантажуватиме існуючу конструкцію. Крім того, швидкий та простий монтаж дозволяє скоротити час реконструкції, що зменшує ризик пошкодження будівлі у разі несприятливих погодних умов під час виконання ремонтних робіт.

Як подати рекламацію?

Щоб подати рекламацію, зверніться до точки продажу, де ви придбали товар. Вам потрібно надати документи, що підтверджують факт покупки матеріалу та фотографія дефектного продукту. Детальну інформацію про процедуру подання рекламації можна знайти в гарантійних умовах, що додаються до рахунку-фактури.

Які умови гарантії на матеріали?

Гарантія поширюється лише на виробничі дефекти та є дійсною за умови правильного встановлення та експлуатації виробу відповідно до рекомендацій та інструкцій виробника.

Можливо вас зацікавить:

Фасадні касетони

Blachy trapezowe

Інша продукція цієї категорії

Стартова планка для касетона К-2

Стартова планка для касетона К-2

Аксесуари для фасадних касетонів

Переглянути
Верхня віконна планка

Верхня віконна планка

Аксесуари для фасадних касетонів

Переглянути
Нижня віконна планка

Нижня віконна планка

Аксесуари для фасадних касетонів

Переглянути
Бічна віконна планка (варіант 1)

Бічна віконна планка (варіант 1)

Аксесуари для фасадних касетонів

Переглянути
Бічна віконна планка (варіант 2)

Бічна віконна планка (варіант 2)

Аксесуари для фасадних касетонів

Переглянути
Бічна віконна планка (варіант 3)

Бічна віконна планка (варіант 3)

Аксесуари для фасадних касетонів

Переглянути
Бічна віконна планка (варіант 4)

Бічна віконна планка (варіант 4)

Аксесуари для фасадних касетонів

Переглянути