Обшивка існуючої будівлі касетонами з утепленням є одним з найсучасніших і надійних видів вентильованих фасадів. Фасадні системи з касетонами розроблені таким чином, що крім сучасного та естетичного вигляду, вони мають високу міцність, що дозволяє подовжити термін експлуатації будівлі. У цій статті ми ознайомимо вас з такими типовими вузлами для монтажу фасадних касетонів:
Нижче ми проаналізуємо особливості влаштування кожного вузла.
Рішення цього вузла полягає в тому, що замість кутових планок використовується готовий кутовий касетон. Касетон цього типу може мати різні розміри сторін і кутів. Таким чином, формується рівний і красивий кут будівлі з розбивкою по швах і стиках.

Рис. 1

Рис. 1.1
Розшифровка умовних позначень для рисунка 1.1: 1) опорний столик; 2) дюбель; 3) L-прогон; 4) саморіз; 5) утеплювач; 6) кріплення термоізоляції; 7) вітробар’єрна плівка; 8) омега-профіль; 9) касетон (фасадна касета).
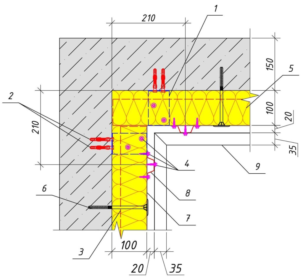
Так само, як і з зовнішнім кутом будинку, рішення цього вузла полягає на використанні готового кутового касетона.

Рис. 2

Рис. 2.1
Розшифровка умовних позначень для рисунка 2.1: 1) опорний столик; 2) дюбель; 3) L-прогон; 4) саморіз; 5) утеплювач; 6) кріплення термоізоляції; 7) вітробар’єрна плівка; 8) омега-профіль; 9) касетон (фасадна касета).
До омега-профілю кріпиться саморізами цокольна планка, яка заодно служить стартовою планкою для монтажу першого ряду касетонів.

Рис. 3

Рис. 3.1
Розшифровка умовних позначень для рисунка 1.3: 1) опорний столик; 2) дюбель; 3) L-прогон; 4) саморіз; 5) утеплювач; 6) кріплення термоізоляції; 7) вітробар’єрна плівка; 8) омега-профіль; 9) касетон (фасадна касета); 10) цокольна планка (стартова).
При цьому рішенні використовується дві планки: відлив, який дозволяє скидати дощову воду, яка тече по касетонів і служить стартовою планкою для монтажу касетонів, а також Z-образна планка, яка заводиться під відлив і закриває всю конструкцію фасаду (утеплювач, плівку, омега профіль, підсистему).

Рис. 4

Рис. 4.1
Розшифровка умовних позначень для рисунка 4.1: 1) опорний столик; 2) дюбель; 3) L-прогон; 4) саморіз; 5) утеплювач; 6) кріплення термоізоляції; 7) вітробар’єрна плівка; 8) омега-профіль; 9) касетон (фасадна касета); 10) планки на вікна.
Рішення вузла полягає в використанні гнутих підвіконної планки і додаткової планки, за яку чіпляється подоконная. Підвіконна планка кріпитися в даному випадки саморізами тільки до рами вікна.

Рис. 5

Рис. 5.1
Розшифровка умовних позначень для рисунка 5.1: 1) опорний столик; 2) дюбель; 3) L-прогон; 4) саморіз; 5) утеплювач; 6) кріплення термоізоляції; 7) вітробар’єрна плівка; 8) омега-профіль; 9) касетон (фасадна касета); 10) планка підвіконна.
На вузлі показано рішення з використанням Z-подібної планки, яка заводиться під касетон на омега-прогон і закриває конструктив стіни. Кріпиться планка саморізами до рами вікна. Бічна частина касетона залишається видимої.

Рис. 6

Рис. 6.1
Розшифровка умовних позначень для рисунка 6.1: 1) опорний столик; 2) дюбель; 3) L-прогон; 4) саморіз; 5) утеплювач; 6) кріплення термоізоляції; 7) вітробар’єрна плівка; 8) омега-профіль; 9) касетон (фасадна касета); 10) планка віконна бічна.
Суть даного рішення полягає у використанні нестандартної планки, яка дозволяє створити вертикальний шов між касетонів і планкою. Планка повністю закриває конструктив стіни. Кріпиться планка саморізами до рами вікна.

Рис. 7

Рис. 7.1
Розшифровка умовних позначень для рисунка 7.1: 1) опорний столик; 2) дюбель; 3) L-прогон; 4) саморіз; 5) утеплювач; 6) кріплення термоізоляції; 7) вітробар’єрна плівка; 8) омега-профіль; 9) касетон (фасадна касета); 10) планка віконна бічна.
На вузлі показано рішення з використанням нестандартної планки, яка заводиться на омега-прогін під касетон і закриває конструктив стіни. В даному варіанті вертикального шва меджу касетонів і планкою немає. Кріпиться планка саморізами до рами вікна. Бічна частина касетона, на відміну від Варіанта 1, залишається невидимою.

Рис. 8

Рис. 8.1
Розшифровка умовних позначень для рисунка 8.1: 1) опорний столик; 2) дюбель; 3) L-прогон; 4) саморіз; 5) утеплювач; 6) кріплення термоізоляції; 7) вітробар’єрна плівка; 8) омега-профіль; 9) касетон (фасадна касета); 10) планка віконна бічна.
На вузлі показано рішення з утепленням парапету і використанням нестандартної парапетної планки, яка кріпитися до L- прогону на парапеті. Параметри планки і L- прогону залежать від ширини парапету.

Рис. 9

Рис. 9.1
Розшифровка умовних позначень для рисунка 9.1: 1) опорний столик; 2) дюбель; 3) L-прогон; 4) саморіз; 5) утеплювач; 6) кріплення термоізоляції; 7) вітробар’єрна плівка; 8) омега-профіль; 9) касетон (фасадна касета); 10) профанстил покрівельний; 11) покрівельна мембрана; 12) парапетна планка.
Планки найкраще замовляти після вимірів під час або після монтажу касетонів, крім стартової, з якої починається монтаж. Як приклад на вузлах використовується касетон з закритим замком «К-1». Приклад теплотехнічного розрахунку, за допомогою якого можна розрахувати необхідну товщину утеплення фасаду, можна побачити на сторінці: «Теплоізоляція будівель з використанням виробів з мінеральної вати (розрахунки і технічні рішення)»
На цій сторінці ми розмістили основні типові рішення вузлів при обшивці будівлі фасадними касетонами з утепленням. Якщо вам не підходять ці рішення, фахівці компанії «Прушиньскі» допоможуть розробити нестандартні рішення, враховуючи особливості вашого проекту.
У комплекті з внутрішніми стіновими касетами компанія "Прушиньскі" пропонує необхідні супутні матеріали для влаштування стінової конструкції: планки, утеплювачі, плівки, саморізи, ущільнювачі, термопрокладки тощо.